|
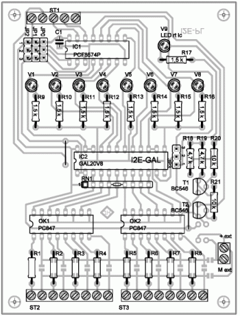
Stückliste:
| Bauteil |
Bezeichnung |
Anzahl |
| R1 - 8 |
Vorwiderstand f.
Optokoppler
| bei 5V |
270 Ohm |
| bei 12V |
470 Ohm |
| bei 24V |
1 kOhm |
|
8 |
| R9 - 17 |
Widerstand 1,5 kOhm |
9 |
| R18 - 19 |
Widerstand 4,7 kOhm |
2 |
| R20 - 21 |
Widerstand 10 kOhm |
2 |
| RN1 |
Widerstandsnetzwerk 8x 4,7 kOhm |
1 |
| V1 - 8 |
LED grün 3mm low Current (2mA) |
8 |
| V9 |
LED rot 3mm low Current (2mA) |
1 |
| T1, T2 |
BC546 Transistor NPN |
2 |
| C1 |
Keramik-Kondensator 100 nF |
1 |
| IC1 |
PCF 8574 / 8574 A I²C-Porterweiterung IC-Fassung 16 pol. |
1
1 |
| IC2 |
GAL20V8 programmiert "2E-GAL" IC-Fassung 24 pol. |
1
1 |
| OK1, OK2 |
Optokoppler 4fach PC847 IC-Fassung 16 pol. |
2
2 |
| JP1 - 4 |
Pfostenleiste 3pol. + Jumper |
4 |
| ST1 |
Anschlussklemme 4pol |
1 |
| ST2, ST3 |
Anschlussklemme 8pol |
2 |
| ST4 |
Anschlussklemme 2pol |
1 |
|
|
|
|
|
 |
Bausätze können Sie günstig in unserem Onlineshop in der Rubrik
"I2C-Komponenten" bestellen. |
|
|
Copyright © www.horter.de All rights reserved.
|