SINUMERIK System 800
|
|
Pinbelegung der RS232 / 20-mA-Schnittstelle der
SINUMERIK 800
25pol Buchse
|
 |
| Pin |
Bezeichnung |
Eingang/Ausgang |
Bedeutung |
| 2 |
TxD* |
Ausgang |
Sendedaten* |
| 3 |
RxD* |
Eingang |
Empfangsdaten* |
| 4 |
RTS* |
Ausgang |
Sendeteil einschalten* |
| 5 |
CTS* |
Eingang |
Sendebereit * |
| 6 |
DSR* |
Eingang |
Betriebsbereit* |
| 7 |
MEXT* |
--- |
Masse extern* |
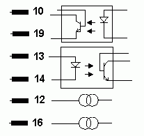
| 10 |
RxD + |
Eingang |
Empfangsdaten + |
| 12 |
20 mA |
Ausgang |
Stromquelle Sender |
| 13 |
TxD + |
Eingang |
Sendedaten + |
| 14 |
TxD - |
Ausgang |
Sendedaten - |
| 16 |
20 mA |
Ausgang |
Stromquelle
Empfänger |
| 19 |
RxD – |
Ausgang |
Empfangsdaten – |
| 20 |
DTR* |
Eingang |
Endgerät bereit |
| 21 |
0V(T) |
--- |
Masse Sender |
| 24 |
0V(R) |
--- |
Masse Empfänger |
|
| |
* RS232 Signale |
 |
Verbindung
1 - 10*
2 -19
3 - 13*
4 - 14 *ohne Gewähr ev. 10 und 13 tauschen |
 |
Copyright © www.horter.de All rights reserved.