Industriesensoren mit standardisierten Ausgangssignalen wie 4–20 mA und 0–10 V sind aus der Automatisierungs-, Mess- und Steuerungstechnik nicht wegzudenken. Sie ermöglichen eine zuverlässige, störsichere Übertragung von Messwerten über größere Distanzen und sind herstellerübergreifend kompatibel. Ob Temperatur-, Druck-, Füllstands-, Feuchte- oder Durchflusssensoren – viele industrielle Sensoren setzen auf diese analogen Standardschnittstellen, um Prozessdaten robust und präzise bereitzustellen.
Für die Weiterverarbeitung in Embedded-Systemen, Mikrocontroller-Projekten oder IoT-Anwendungen werden diese Signale häufig über Analog-Eingangsmodule digitalisiert. In diesem Artikel zeigen wir, wie sich 4–20 mA- und 0–10 V-Sensoren korrekt an I²C-fähige Analog-Eingangskarten anschließen lassen, worauf bei der Signalaufbereitung, Strom-/Spannungswandlung und Skalierung zu achten ist und welche typischen Fehlerquellen vermieden werden sollten.
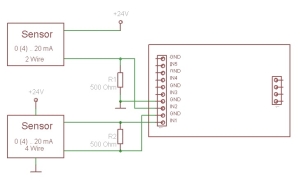
Sensoren an der analogen Eingangskarte I2HAE oder I2AE8
Um einen 0-20mA oder 4-20mA Sensor an unseren I2C-Analogkarten zu betrieben muss das 20mA-Signal mit einem Widerstand 500 Ohm in ein Spannungssignal umgewandelt werden.
Wenn kein 500 Ohm Widerstand zur Hand ist können auch zwei Widerstände a 1kOhm parallel geschaltet werden.
Im Onlineshop gibt es 500,0 Ohm Widerstände mit 0,1% Toleranz als Zubehör zu den Analog-Eingangskarten


Sensoren an der analogen Eingangskarte I2AE18
Bei unserer analogen Eingangskarte mit dem MCP3424 ist der 500 Ohm Widerstand schon auf der Platine mit drauf. Dieser kann mit dem Jumper „mA“ aktiviert werden.
Bei dieser Karte kann also auf den externen Widerstand verzichtet werden.
Hier ein Anschlussbild mit einem Mischbetrieb von
- 0-20mA 2-Draht (2-Wire)
- 0-20mA 4-Draht (4-Wire)
- 0-10V

