Im Internet werden verschiedene „8 Relay module“ für schmalen Geldbeutel angeboten, die sehr gut zur Realisierung von Automationsaufgaben geeignet sind.
Diese Module werden aber meistens mit Minus angesteuert.
In diesem Beitrag möchten wir zeigen wie man unsere I2HA Ausgabekarte umbauen kann so dass diese statt Plus den Minus schaltet.
NPN-Relay Module über die I2c-Ausgabekarte mit Raspberry oder Arduino steuern
Arbeitsschritte
- Treiberbaustein UDN2981A (TD62783A) entfernen und durch einen ULN2803 ersetzten.
- Leiterbahn(en) unterbrechen
- Brücken einlöten
- Relaismodul anschließen und testen
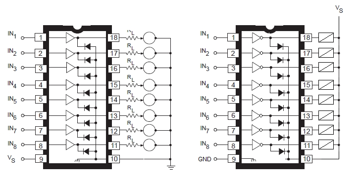
Der Treiberbaustein ULN2803 ist nahezu Pin-kompatibel zum UDN2981A schaltet aber den Minuspol durch. (NPN)
Sie können den ULN2803 jetzt auch im Onlineshop gleich mitbestellten.
https://www.horter-shop.de/de/i2c-ics/252-ausgangs-treiber-8-kanal-darlington-transistor-array.html
Umbau der I2HA-Karte
Damit der Treiber an der I2C Ausgabekarte funktionier müssen auf der Rückseite drei Leiterbahnen aufgetrennt und zwei neue Verbindungen eingebaut werden.
Bereisten Sie zwei Drahtbrücken für die neuen Verbindungen vor
rot: 37mm Enden verzinnt
Schwarz: 55mm in der Mitte ein Stück abisolieren und verzinnen. Anschließend die Enden abisolieren und verzinnen
Die Drähte dann auf der Unterseite der Platine einlöten
Schaltungsauszug
Umbau der I2HA-Karte auf NPN-Logik mit ULN2803
Umbau der I2AOK-Karte (DO-Karte mit Optokopplern
Damit der Treiber an der I2C Ausgabekarte mit Optokopplern funktioniert müssen auf der Rückseite zwei Leiterbahnen aufgetrennt und zwei neue Verbindungen eingebaut werden.
Die Beschriftung auf der Platinen-Oberseite stimmt hier noch.









Guten Tag,
ich habe die DO-Karte mit Optokopplern wie oben beschrieben umgebaut. Wenn ich die Ausgänge einzeln schalte, funktioniert das System.
Sobald ich allerdings 4 Ausgänge einschalte, schalten sich die anderen 4 Ausgänge ebenfalls ein (es leuchten weiterhin nur 4 LEDs).
Haben Sie vielleicht eine Idee, wo das Problem liegen könnte?
Vielen Dank im Voraus!
Viele Grüße
Hallo,
ist das Widerstandsnetzwerk richtig herum eingebaut?
Wenn das falsch montiert wird, kann es zu solch einem Phänomen kommen.
Guten Morgen Herr Horter,
ich habe 2 Fragen zu der Karte, bin wahrscheinlich einfach zu unwissend.
Die Karte ist für 5,12,24V. Bedeutet dies, dass ich am Eingang unten auch 12 oder 24V anlegen kann?
Derzeit habe ich die Karte mit 5V angeschlossen und kann die Ausgänge adressieren, jedenfalls gehen die LEDs an. Wenn alle LEDs aus sind, messe ich 2,5V zwischen jedem Ausgang und GND. Wenn ich nur einen Ausgang schalte, messe ich zwischen allen Ausgänge 0V und GND. Wahrscheinlich soll dies nicht so sein. Oder habe ich generell etwas falsch verstanden und an den oberen PINs muss auch eine externe Spannung angelegt werden.
Vielen Dank
Hallo Helmut,
unten dürfen nur 5V angelegt werden bzw. wird die Karte vom Master mit 5V versorgt.
Haben Sie die Karte umgebaut mit dem Ausgangstreiber ULN2803?
Dann müssen Sie gegen +Us (Ihre Versorgungsspannung) messen, weil der Treiber den Minus durchschaltet.
Gruß, JH
Sehr geehrter Herr Horter,
vielen Dank für die Rückmeldung, ich hatte einfach nur ein Verständnisproblem. Vielleicht darf ich noch eine Erfahrungsfrage stellen. Sie haben ja hier den Umbau für entsprechende Relaiskarten gezeigt, wenn ich dies richtig verstanden habe, müsste man doch auch direkt WAGO Hutschienenrelais ansteuern können oder? Diese wären zwar deutlich teurer würden jedoch ein sicheres Schalten der 220V bei 16A ermöglichen.
Haben Sie damit Erfahrung?
klar sind Relais von WAGO, FINDER oder PHOENIX-CONTACT etwas treuerer. Die Standzeit und das Schaltvermögen ist aber erheblich besser als die Ware aus China.
Dann können Sie auch auf den Umbau der DO Karten verzichten und die Relais mit +24V ansteuern. Damit schalten Sie auch nach VDE richtig, da schalten mit Masse eigentlich nicht zulässig ist.
Viel Erfolg
Guten Tag Herr Horter,
ich habe (wie auf dem obigen Bild beschrieben) die Leiterbahn getrennt und die zwei Bücken eingelötet. Jedoch zeigt meine Externe Stromquelle (die beim Repeater einspeißt) einen Kurzschluss an.
2.Problem
Wenn ich die einzelnen Kanäle ansteuere, leuchtet aber nicht immer nur EINE LED sondern oft glimmen andere mit dazu.
Ist das so gewollt oder habe ich einen grundsätzlichen Fehler im Aufbau verursacht.
Ich habe die Bauteile erst kürzlich erworben. Daher sollte es die neueste Baureihe sein von der wir reden
Vielen Dank für ihre immer sehr schnelle Hilfe !!
Mit freundlichen Grüßen
Manuel W.
Hallo Manuel,
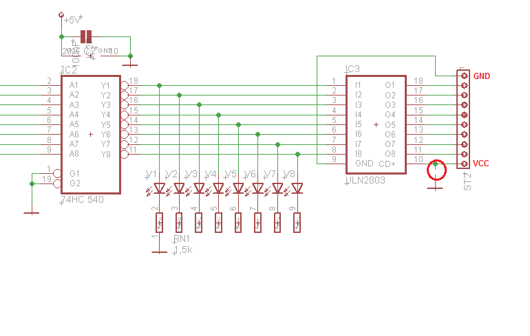
haben Sie auch beim anschließen der Baugruppe beachtet, dass am Pin 1 des ST2 jetzt GND und +5V am Pin 10 angeschlossen werden muss?
Dann sollte es auf der 5V vom PI keinen Kurzschluss geben.
Ihr zweites Problem kenne ich, wenn die Widerstandsnetzwerke falsch herum eingelötet wurden.
Schauen Sie mal bitte auf den aufgedruckten Punkt des R-Netzes.
Gruß, J. Horter
Hallo
habe wie oben abgebildet 2x8er Relais karte an das 2xI2C Outputmodul verdrahtet.
die 2 I2C Otputmodule sind an den Repeater angeschlossen.
In Codesys sind beide I2HA_Digital_Outputs_IO_driver bzw _1 sichtbar.
Ein kleines Testprog. läuft auch. Mit webvisu läst sich ein RS setzen und rücksetzen
Problem:
Was bzw wie müssen die bieden I2HA parametriert werden (in Codesys)?
Adresse, Variable Mapping?
Da hänge ich aktuell fest
Für ein paar Tips (ein paar einfach screen shots) wäre ich sehr dankbar
Grüße
Oliver Jäger
Hallo Herr Jäger,
das einbinden neuer Baugruppen und die Adressen für CODESYS finden Sie auf http://www.raspberry-sps.de
unter dem Stichpunkt Baugruppen einbinden
Guten Tag!
Auf welchem Träger haben Sie die Relaykarte auf die Hutschiene montiert?
Genau soetwas suche ich seit einiger Zeit!
Gruße
Hallo Herr Pötschan,
das ist ein Endhalter von PHOENIX CONTACT – CLIPFIX 35 – 3022218.
Infos auf der Webseite von PHOENIX CONTACT
Ich hab mit der Proxon Tischkreissäge den oberen Teil abgesägt, 2mm Löcher reingebohrt und die Platine mit Blechschrauben 2,9mm angeschraubt. „Quick and dirty“ aber erfüllt seinen Zweck :-).
Genial! Vielen Dank für diesen Tipp! Ich suche schon ewig nach einer brauchbaren Lösung, es wäre so einfach gewesen 🙂 Noch ein Stück Plastik aus einem Joghurtbecher und schon ist alles Rückseitig isoliert.